Оборудование для контроля и управления технологическими процессами
Инновационные разработки, инжиниринг


(0)
(0)
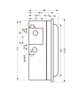
Дифференциальные манометры A-Flow G62

Дифференциальные манометры A-Flow G62

Дифференциальные манометры A-Flow G62
Под заказ
0 руб.
Купить в 1 клик
Избранное
Сравнить
  • Бренд: A-Flow
  • Материал корпуса: алюминий
  • Тип прибора: Промышленные манометры
  • Исполнение: Общепромышленное
  • Тип давления: перепад давления
  • Диаметр шкалы: 114 мм
  • Назначение: для газа / для жидкости
  • Температура окружающей среды, ˚C: от 0 до 60 ˚С
  • Диапазон измерения давления: от 0 до 0,3 бар
  • Область применения: Промышленное оборудование / Системы контроля расхода
  • Тип манометра: Пистонный
  • Температура среды, °C: до 100 ˚С
  • Окно: стекло
  • Материал измерительного механизма: нержавеющая сталь 304
  • Подключения: 10М – М10х1; 12М – М12х1,5; 2G – G1/8”; 4G – G1/4”; 2N – NPT 1/8"; 4N – NPT 1/4"
  • Класс точности: 2.0
Полное описание

Манометры A-Flow серии G62 предназначены для измерения перепада давления в условиях высокого рабочего давления. Данный поршневой дифференциальный манометр обеспечивает особые преимущества благодаря своей компактной, модульной конструкции. Это дает возможность производить замену измерительной системы и индикаторного корпуса непосредственно на местах, а также последующую установку и настройку электроконтактов.

Похожие товары

Манометры A-Flow G41
Материал корпуса: нержавеющая сталь, углеродистая сталь
Тип прибора: Промышленные манометры
Исполнение: Общепромышленное
Тип давления: избыточное давление
Диаметр шкалы: 100 мм, 150 мм
Назначение: для газа, для жидкости
Степень защиты: IP54
Температура окружающей среды, ˚C: от -20 до 60 ˚С
Диапазон измерения давления: от -600 мбар до 1 бар
Область применения: Машиностроение, Насосная и компрессорная техника, Технические и промышленные системы контроля давления
Тип манометра: Трубка Бурдона
Температура среды, °C: до 60 ˚С
Измерительный механизм: медная коробчатая пружина, штуцер из латуни
Окно: стекло
Материал измерительного механизма: латунь
Подключения: 20М – М20х1,5; 8G – G1/2”; 8N – NPT 1/2"
Класс точности: 1.6
Под заказ
Манометры A-Flow G40
Материал корпуса: углеродистая сталь, покрытая черной краской
Тип прибора: Промышленные манометры
Исполнение: Общепромышленное
Тип давления: избыточное давление
Диаметр шкалы: 100 мм, 150 мм, 63 мм
Назначение: для газа, для жидкости
Степень защиты: IP43
Температура окружающей среды, ˚C: от -20 до 60 ˚С
Диапазон измерения давления: от -600 мбар до 1 бар
Область применения: Машиностроение, Насосная и компрессорная техника, Технические и промышленные системы контроля давления
Тип манометра: Трубка Бурдона
Температура среды, °C: до 60 ˚С
Измерительный механизм: медная коробчатая пружина, штуцер из латуни
Окно: стекло акриловое с резьбой
Материал измерительного механизма: латунь
Подключения: 12М – М12х1,5; 20М – М20х1,5; 4G – G1/4”; 8G – G1/2”; 4N – NPT 1/4"; 8N – NPT 1/2"
Класс точности: 2.5
Под заказ
Манометры A-Flow GD32
Материал корпуса: нержавеющая сталь 304
Тип прибора: Промышленные манометры
Исполнение: Общепромышленное
Тип давления: избыточное давление
Диаметр шкалы: 100 мм, 150 мм, 63 мм
Назначение: для газа, для жидкости
Степень защиты: IP65
Температура окружающей среды, ˚C: от -40 до 60 ˚С
Диапазон измерения давления: от -1 до 1000 бар
Материал мембраны: инконель 600, монель, нержавеющая сталь AISI 316L , серебро, тантал, титан, хастелой
Область применения: Нефтехимическая промышленность, Химическая промышленность, Насосная и компрессорная техника, Технические и промышленные системы контроля давления
Тип манометра: Мембранный
Температура среды, °C: до 200 ˚С
Измерительный механизм: Трубка Бурдона и штуцер из нержавеющей стали 316
Окно: стекло ламинированное
Материал измерительного механизма: нержавеющая сталь 304
Подключения: 12М – М12х1,5; 20М – М20х1,5; 4G – G1/4”; 8G – G1/2”; 4N – NPT 1/4"; 8N – NPT 1/2"
Класс точности: 1.0, 1.6
Под заказ